Kiristysholkki
Kiristysholkit
KIRISTYSHOLKKI H3148X
Tuotenro 1780064690
EAN 4012801217194
Rekisteröityneenä voit hankkia tuotteita koko 75 000 tuotteen valikoimasta
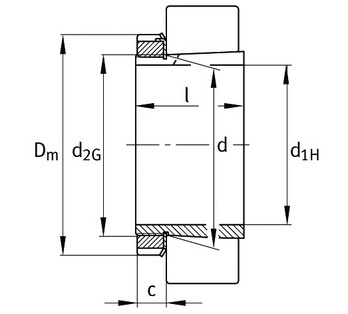
Kiristysholkit ovat yleisimmin käytettyjä komponentteja kartioreikäisten laakereiden asennukseen lieriöakselille, koska niitä voidaan käyttää olakkeettomilla tai olakkeellisilla akseleilla. Holkeissa on kapea rako ja ne toimitetaan täydellisenä KM-lukitusmutterilla ja MB-varmistinlaatalla varustettuina.
- Täydellinen, sisältää lukitusmutterin ja varmistinlaatan
- Helpottavat laakerin asennusta ja irrotusta
Tiedot(X)
![]() | |
Tyypin kuvaus | KIRISTYSHOLKKI H3148X |
